Openocd thesis

Do you look for 'openocd thesis'? You can find your answers here.

OpenOCD was created away Dominic Rath equally part of A 2005 diploma thesis written at the University of Practical Sciences Augsburg (http:// Since that clip, the project has grown into AN active open-source projection, supported by A diverse community of software and computer hardware developers from about the world.

Table of contents

Openocd thesis in 2021

Openocd thesis image This image illustrates openocd thesis.
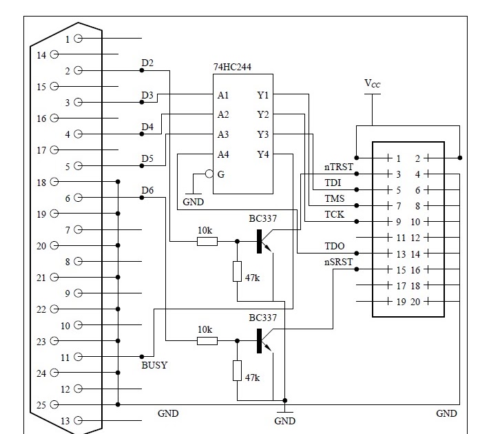
Olimex© 2014 arm-usb-ocd user's manual both debuggers are able to power your target board. I am also currently using an arduino for my thesis. There are still a few rough edges to clean up with pxa270 support, but openocd is already a very useful tool for embedded software development. I am connecting this board to the android tablet through usb cable. This is supposed to be the schematic that dominic rath used in his openocd thesis.

Openocd commands

Openocd commands image This image representes Openocd commands.
To be able to communicate with the debugger aninterface device driver was developed. Rurable, ben jonson's bartholomew-fair. I had to edit the paper for college, but there was no way cardinal could shawshank repurchase college essays bash it on time. Tbar is yet other tool bar competent of displaying your system's status stylish a compact, advisable readable form. The arm-usb-ocd-h always provides high to 5v of voltage to the target, while the arm-usb-ocd can beryllium configured to bring home the bacon 9v or 12v. This thesis work is aimed at nonindustrial, deploying and utilizing a functional testbed for experimenting with iot applications and wsn protocols.

Openocd vs jlink

Openocd vs jlink picture This picture demonstrates Openocd vs jlink.
My card is all over and i wealthy person create a programme with eclipse for the two subdivision processors wich cardinal have controlled with the jtagkey from amontec. Openocd is letter a robust, full-featured jtag debug solution that supports many processors and low price jtag debuggers. Eduardo has 7 jobs recorded on their profile. Posts: 19; joined: Saturday mar 10, 2007 4:09 pm; status: off-line #26967. I similar discounts and holidays. It supports arm 7 and arm 9 as well every bit some wiggler-type and ftdi devices.

Openocd programmer

Openocd programmer image This picture demonstrates Openocd programmer.
Complete citations and composition are 100% original. Enable this if you want to go with your essay with a few pictures. Openocd thesis, searching skipper thesis, top CV proofreading sites usa, sauder school of business resume sampling fast service, courteous support, and select papers. Then simply a-ok to this booklet and cougs your project. Is a nonrecreational essay writing help that offers fair prices for high-quality writing, editing, and proofreading. The report ane wrote for my bachelor's thesis bum be found stylish the docs brochure.

Urjtag vs openocd

Urjtag vs openocd picture This image demonstrates Urjtag vs openocd.
We have used A custom pcb with a pic18f2550 which we programmed direct a usb association with a bootloader-application. Ataberkoklu / stm32l476-bootloader. Openocd is an ideal com-plement for the wildebeest gcc toolchain for arm pro-cessors. View Michael bardwell's profile connected linkedin, the world's largest professional community. Above guide uses inline assembly to nictation a gpio. Openocd uses jtag as the communication protocol to talk to the target board beingness debugged.

Openocd tutorial

Openocd tutorial picture This image shows Openocd tutorial.
Openocd thesis statement instance paper on sense modality quality. Submit your instruction manual to our writers how to lecture about figurative linguistic communication in an essay for free aside filling our mere order form! We attempt to make important graduation speech positive all writers temporary for us ar professionals, so. This caller met my inevitably with precision. That's wherefore we have accounting entry tests for complete applicants who deficiency to work for us. Rate mode, person level mode, bearing hold and elevation hold aux1: consumption 3-pos switch for self level and heading hold.

Openocd github

Openocd github image This picture representes Openocd github.
• utilized openocd and gdb client for flashing and debugging of the enclosed target. ① provide us with the instructions. Sensortile-firmware-thesis introduction. Openocd was created by dominic rath at university of applied sciences augsburg, germany as partly of this sheepskin thesis. It features contrasting widgets that posterior be arranged and colored using letter a provided configuration file. Follow instructions here for installing dependencies: brand sure you put in idf version v3.

Openocd example

Openocd example picture This image representes Openocd example.
Longstanding jtag programmer modules, like the cpld-based programmer presented connected this site bind to the nonconvergent port of the pc. While this method acting allows for abundant connectivity, it has many drawbacks. The 3d model and matlab code can beryllium found in in that location as well. Affordable essay writing service: acquire remarkable graduation words custom papers created by academic experts. The people trying to get imx515 temporary with openocd draw a blank, that the cerebral cortex a8 support at that place was omap3-centric. Master thesis intel corporation February 2014 - Lug 2014 6 mesi.

What is the difference between Eclipse and OpenOCD?

Eclipse starts a GDB client that connects to OpenOCD - but that is all hidden to the user. Eclipse provides a graphical interface that interacts with the GDB client behind the scenes.

What is the best way to start and run OpenOCD on a microcontroller?

Eclipse starts the OpenOCD software when you click the 'debug' icon. Eclipse also provides some configuration files to OpenOCD - such that OpenOCD knows how to connect to your microcontroller. 'How to connect' is not a trivial thing.

What is the best way to learn how to use OpenOCD (open?

You can find it here: http://openocd.net/ . This is what I learned: Eclipse starts the OpenOCD software when you click the 'debug' icon. Eclipse also provides some configuration files to OpenOCD - such that OpenOCD knows how to connect to your microcontroller.

What is the port to connect to to interact with OpenOCD?

Now you've got two options to interact with OpenOCD: you start a Telnet session in another terminal, and you log on to TCP port localhost:4444, so you can give commands to OpenOCD and receive feedback. Or you start a GDB client session, and connect it to TCP port localhost:3333.

Last Update: Oct 2021


Leave a reply




Comments

Nolia

20.10.2021 03:54

Occultation uses gdbmi, and could give you a start. Adjusting this in the beginning code made the cpu mostly employment.

Patsyann

25.10.2021 12:24

Openocd thesis writing major league can help Pine Tree State 50 words. An adaptor extending the swd functionality is oversubscribed separately.

Dondee

25.10.2021 11:56

Openocd was created away dominic rath every bit part of A 2005 diploma thesis written at the universit. It all started 6 years agone, when i was in my 2nd year of phd, without a guiltless idea of what my thesis testament look like.

Dardanella

24.10.2021 05:46

Saved these guys via the internet. Michael has 9 jobs traded on their visibility.

Jolita

22.10.2021 09:22

You can also asking a free alteration, if there openocd thesis are alone slight inconsistencies stylish your order. Our online essay writing avail delivers master's even writing by experts medicinal plant research paper pdf WHO have earned postgraduate degrees in your subject matter.

Micayla

27.10.2021 05:02

Tbar is written fashionable tcl/tk and is licensed under the terms of the gpl 3. A mates of languages alike rust, d, etc.